|
|
|
±×µ¿¾È ½ºÆÔ¿¡ ¸¹Àº ½Å°æÀ» ½á ¿Ô´Âµ¥, ÀÌÁ¦´Â ±¦ÂúÀ¸·Á³ª ?
ÀÌ ÇÁ·Î±×·¥ º¯°æÀ¸·Î ÇѰá ÁÁ¿ÍÁö°ÚÁö¸¸ Àΰ£ÀÌ ¸¸µç ÇÁ·Î±×·¥ÀÌ´Ï ¸ÖÁö¾Ê¾Æ ¶Ç ½ºÆÔ¿¡ ½Ã´Þ¸®°ÚÁö.
±×·¡µµ CGI ÇÁ·Î±×·¥º¸´Ù´Â 󸮹æ¹ýÀÌ ÈνÅÁÁÀ¸´Ï ´ÙÇàÀÌ´Ù.
|
|
|
|
| ¤ýÀÛ¼ºÀÚ |
À±¼®±¸
|
| ¤ýÀÛ¼ºÀÏ |
2012-07-18 (¼ö) 19:51 |
| ¤ý÷ºÎ#1 |
120825ÃÖÁ¾µµ¸é.zip
(2,110KB) (Down:202)
|
|
¤ýÃßõ: 0 ¤ýÁ¶È¸: 2454
|
|
|
¤ýIP: 121.xxx.34 |
|
|
Á¾Ä£È¸ ¹¦Áö Á¶¼º¾È ¹× ¿Ï°ø »çÁø
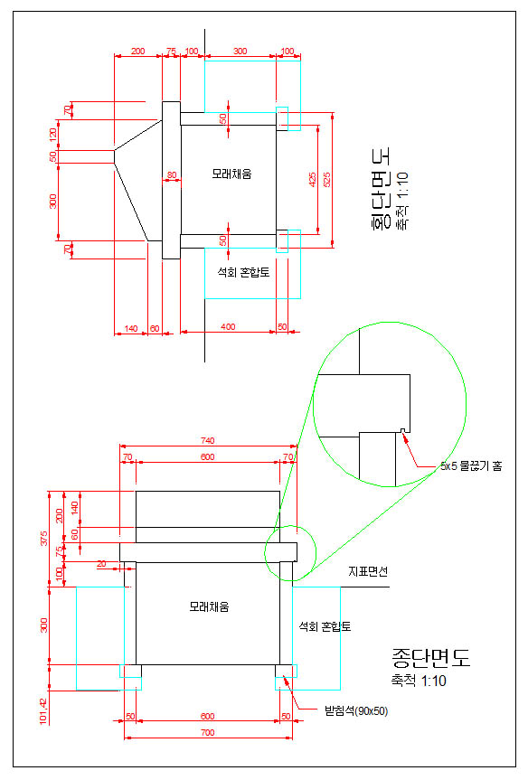
Á¾Ä£È¸ ¹¦Áö Á¶¼º¾È ÃÖÁ¾ Á¤¸®¾È ÀÔ´Ï´Ù. Á» ´õ ÀÚ¼¼ÇÑ »çÇ×Àº ÀüÈ Áֽñ⠹ٶø´Ï´Ù. ¾Æ·¡ °¢ »çÁøÀ» Ŭ¸¯Çϸé È®´ë »çÁøÀÌ ³ª¿É´Ï´Ù. ÷ºÎÈÀÏ¿¡ "120825ÃÖÁ¾µµ¸é.ZIP"ÀÌ ÀÖ½À´Ï´Ù. 120825ÃÖÁ¾µµ¸é.ZIP ÆÄÀÏ¿¡´Â °èȹÆò¸éµµ.jpg, Á¾´Ü¸éµµ.jpg, ÇöÈ²Ãø·®µµ ¹× ¿ëÁöµµ.jpg, Ⱦ´Ü¸éµµ-1.jpg, Ⱦ´Ü¸éµµ-2.jpg ¿øº» ÆÄÀÏÀÌ ÀÖ½À´Ï´Ù. È®´ë »çÁøÀ§¿¡ ¿À¸¥ÂÊ ¸¶¿ì½º¸¦ ´©¸£°í "´Ù¸¥ À̸§À¸·Î ÀúÀå" ¶Ç´Â "Àμâ"À» ´©¸£½Ê½Ã¿ä.
 ¹¦ºñ¼® ¹¦Áö Á¶¼º µå·Î¿ìÀ×
¹¦ºñ¼® µµ¸é 1 ¹¦ºñ¼® µµ¸é 2
°èȹÆò¸éµµ Á¾´Ü¸éµµ
Ⱦ´Ü¸éµµ-1 Ⱦ´Ü¸éµµ-2
ÇöÈ²Ãø·®µµ ¹× ¿ëÁöµµ 
Ãß°¡ ¶Ç´Â º¯°æ »çÇ× : ¿À¼® »çÀÌÁî º¯°æ Àܵð : ¿øÀå Àܵð »ó´ÜºÎ(Ȱ°³ ½ºÅ¸ÀÏ ¹æ¸é) ¼®Ãà °ø»ç: 20Àü ¸ôÅ» ±âÃÊ ÇÒ°Í. ÇϴܺΠ¼®Ãà °ø»ç: 40Àü ¸ôÅ» ÇÒ°Í. 7¸ñ µ¹ »ç¿ë 2012-08-09 Ãß°¡ º¯°æ : À¯°ñ°ü Áö¹Ý ±âÃÊ °ø»ç À¯°ñÇÕ »çÀÌÁî : 200 ¡¿ 200 ¡¿ 200 2012-08-25 ¹¦Áö Á¶¼º °èȹ Æò¸éµµ ¹× °ü°è ÆÄÀÏ ############################################# ¿Ï°øÈÄÀÇ ¸ð½À #############################################
 ¹¦¼Ò ¿Ã¶ó°¡´Â ±æ(¿ìÃøÀ¸·Î °¡´Ù°¡ ¿ÞÆíÀ¸·Î) ¾ÈÀåµÈ ºÐ¹¦ °ü¸®ÀÎ »çÅà ºÒ·çº£¸® ³ó»ç 2014-01-23 2014-07-21 2013-10-28 2015-08-09
¹¦¼Ò ¹¦ºñ¼® 2013-09-08 2016-11-24
|
16
|
|